+ Ново Мнение
Страница 1 от 9
1 2 3 4 5 ... ПоследнаПоследна
Визуализирани са от 1 до 10 от общо 82

Тема: Тренер за пилотаж и акробатика

  1. #1
    Почетен Автор Аватар на Gogo55
    Регистриран
    Feb 2011
    Живее в
    Асеновград
    Мнения
    598

    Тренер за пилотаж и акробатика

    Отварям нова тема в която смятам да опиша конструирането на един самолет от нулата до реалните полети. Ако модела се окаже успешен ще публикувам и чертежите.
    За модел който да се кара всекидневно, и да е един вид универсален пилотажник за тренировки си мечтая отдавна, но все не ми оставаше време да седна и да го започна. Как да е преди няколко дена обаче го започнах, първо на лист си пишех какво искам от дадения самолет , после в солид ворка чертах. В няколко мнения поред ще публикувам това което съм си писъл и водил като бележки за самия модел преди да започна със самото чертане и мислене на конструкцията.
    ++++++++++++++++++++++++++++++++++++++++++++++++++ +++++++++++++++++++++
    При конструиране, чертане и последваща направа ще се водя от няколко изисквания:
    -Максимално лесно и бързо сглобяване.
    -Евтини и достъпни материали.
    -Самолета ще бъде за ежедневни тренировки по пилотаж и акробатика=симетричен профил на крилото и стреловидност, както и големи стабилизатори. Големи елерони и клапи за управлението.
    -Разпереност около 1,5м. , и тегло около 2кг. са оптимален вариант. Това е един вид среден модел между големите и малките модели. Ще се пада максимално голям самолет при малките модели, и минимален при големите модели. По малка разпереност от 1,5м., и по-малко тегло от 2кг. значи само да се нервя при ветровито време, и да не мога да го пускам на по далечно разтояние от мене! При 1,5м. разпереност и тегло над 2кг. ще може да лети и при вятър, също ще може да се вижда и на по голяма дистанция. Ще се събира лесно във всяка една лека кола при транспорт на задната и седалка, и няма да имам проблем с транспорта както с големия ЯК-54 дето е 2,2м.
    ++++++++++++++++++++++++++++++++++++++++++++++++++ +++++++++++++++++
    Витломоторна група и енергоемкост:
    -За основа на размерите на самия самолет изхождам от двигателя защото тои се купува и не се прави-следователно самолета се прави под даден прадварително избран и подготвен двигател. За тези размери 1,5м., и тегло около 2кг. може да ползвам двг с кубатура от 6,5 кубика за нормално литкане по кръга тип учебно, до 10куб. за всякакви видове фигури. За двигател най-изгодно ми идва да използвам китайския ASP52/8,5кубика/ с мощност от 1400вата и тегло от 520грама. Изгодата е първо от съотношението мощност-тегло при този двигател е най-доброто от цялата гама на ASP/смятал съм ги всичките/, и второто е цена-качество където е пак без конкуренция! Този двигател при купешко витло от 12х4 до 13х5 ще даде статична тяга около 3,5 до 4кг. според форумите за рц моделизми по света където хората са мерили с кантара за опашката на самолета. Това означава че за пълен акробат аз трябва да се вместя в коефициент минимум 1,7 към1 тяга към тегло.Значи идва 3,5:1,7=2кг. , или 4:1,7=2,35кг. общо полетно тегло на самолета. Самолет ще стане с тегло 2кг. до 2,35кг. и да е с разпереност от около 1,5метра и горе доле същата, или малко по-малка дължина!
    ++++++++++++++++++++++++++++++++++++++++++++++++++ +++++++++++++++++
    Аеродинамична схема и визия:
    -На мен ми трябва самолет за ежедневни тренировки по пилотаж F3A, и чат пат за удоволствие и малко 3D при безветрие. Двата класа са коренно различни и искат различни модели, но ще се опитам да ги съвместя някак си в един модел, пък ще видя какво ще се получи накрая. Както навсякъде другаде и тука ще имам низ от компромиси за да опитам и двата класа в една конструкция. За целта трябва да имам големи клапи на управленията който да имат големи ходове и от радиото да се кара на два, или три режима на отклонението им според вятъра и фигурите който ще се изпълняват. Големите отклонения за 3D и малки скорости, малките отклонения за F3A пилотажа и високите скорости. Следващото изискване за двата класа е теглото и натоварване на площ-при 3D ми трябва малко натоварване на площ да кажем под 40гр./кв.дм., а при F3A ми трябва повече натоварване да кажем около 55гр./кв.дм. При летене във ветровито време също ми трябва поне едно 55-60гр./кв.дм. за да е по-стабилен самолета. Следователно трябва да направя самолет с натоварване около 40гр./кв.дм., и когато реша /при силен вятър/ да мога да слагам тежест докато стане до 60гр./кв.дм. за да изпълня горе доле и двете изисквания. Също трябва крилото да е със стеснение към краищата си и малко отрицателен ъгъл на крайната хорда за да не се срива лесно и да работи добре по вертикала. За профил нямам голям избор, трябва да е симетричен Е-474 добре познат, или като на ЯК-55 да мащабирам реалния му профил-тои ми е непознат като поведение, но се осланям на опита на другите ако се спра на него. Относителна дебелина около 14% до 18% в основата и 8% до 12% в крайщата. Идеята е да се получи леко V от долната страна като се намалява дебелината на профила в краищата на крилото. Също и да не е много тънко за да работи добре и при ниски хоризонтални скорости, но и да не е много дебело за по малко челно съпротивление и по добро планиране при изгаснал двг. Значи дебелината ще е нещо по средата между профил на фан, и на класически пилотажник.
    За да може да лети на нож то тялото трябва да е по височко, за да има странична площ. За да има управляемост при големи ъгли на атака вертикалния стабилизатор трябва да стърчи малко и под самото тяло надоло за да работи когато горната му част е засенчена от тялото при големи ъгли на атака. Крилото трябва да е на една ос с вала на ДВГ, а хоризонталния стабилизатор трябва да е малко над нивото на крилото за да не попада във завихрения поток от елероните! Също за да може самолета да планира при евентуално спиране на двг то трябва да се стремя да е с минимално сечение отпред тялото. Сечението на тялото отпред зависи само от размера на ДВГ. Според ДВГ ще направя размера на предното сечение на тялото!
    ++++++++++++++++++++++++++++++++++++++++++++++++++ +++++++++++++++++++++++++++

  2. #2
    Почетен Автор Аватар на Gogo55
    Регистриран
    Feb 2011
    Живее в
    Асеновград
    Мнения
    598

    ++++++++++++++++++++++++++++++++++++++++++++++++++ +++++++++++++++++
    Конструкция:
    Конструкцията трябва да е от евтини и лесно достъпни материали. Шперплат 3мм. топола е идеален като здравина, тегло, цена, и като достъпност. Балса ще се стремя да ползвам в минимално количество-само да обличам крилото в предната 1/3 част със 1,5мм дебела, и да направя стабилизаторите от 7х7 до 10х10мм. Значи ще използвам балса със два размера, и шперплат един размер за цялата конструкция. Лепило хенкел момент се е доказало като идеално за дървенията и ще го ползвам в минимално количество при слепките. Идеята на минималното количество лепило е при краш да се чупи точно на слепка даден детайл, и така същевременно остава цял този детайл. После отново си го слепвам на същото място. Реално няма щети и ремонта е бърз.
    Тяло:
    Много ми е важно самолета да бъде дуракоустойчив и да се ремонтира лесно. Не трябва да губя ценно време в ремонти, а да летя. Крашове винаги ще има кога поради умора, кога при усвояване на дадена фигура, кога поради ЕГН, и забравена моторика след дълга пауза в литкането, или просто когато си надценявам възможностите. Според опита ми при краш основно се чупи предната част на тялото, и при още по тежък краш крилото се цепи на две части по средата, но почти винаги тези две части са си здрави! За да бъде ремонта лесен и бърз решавам тялото да е от 4 части по дължина, който да се подменят лесно със една две слепки за 20-30 минути/една вечер да стига за ремонт/. Да е със квадратно сечение пак за лесен ремонт, в носа до края на крилото, а после назад леко да се стеснява. Ако се чупи носа просто четири парчета шперплат резвам на лазера за 5 минути и ги залепвам със една слепка още 5 минути еднократно, и готово ремонта трябва да е приключил за десетина минути. Следва обличане с фолио и завинтване на моторама с ДВГ, и монтаж на колесник- още 30-40 мин. в най лошия случаи.
    Още размисли по тялото.
    За да бъде красив самолета и да има визия двигателя трябва да е скрит в муцуната му и да не стърчат навън части от него и в същото време да има добро охлаждане на самия двигател.Тъй като двигателя има ауспух които стърчи от него на 90 градуса това може да се получи само при голямо сечение на муцуната подобно на спортните СУ-26 или ЯК-55.За да се впише този двигател в такава муцуна, цилиндъра да е нагоре, а ауспуха му да сочи настрани то трябва муцуната на самолета да е с диаметър от около 160-180мм. В същото време двигател скрит в муцуната е труден за обслужване и почистване! Ако самолета ще се кара често това значи да се сваля всеки път муцуната му, но за да се свали, трябва първо да се сваля конус и витло! Значи тялото на самолета ще е дълго до 150см. Това изглежда добре, но да е с малко сечение, не чак 170мм. диаметър на муцуната-такава широка муцуна имат обикновенно копията и то не всички а и ще иска доста материал и от там излишно тегло като минимум още 70-100грама само за носа. Моята цел е да гоня минимално тегло, и добро летене, а визията може малко да я пренебрегна за сметка на теглото.В авиацията както и навсякъде другаде всичко е низ от компромиси. Значи трябва да направя компромис маи и ауспуха, както и главата на двигателя да стърчат навън от муцуната. Поради тази причина се отказвам да има красива муцуна самолета, а и във въздуха не се вижда чак толкова много дали е с красива муцуна, гледат се фигурите основно.Така ще икономисам минимум стотина грама от капот който лесно се чупи и е консуматив, а и на всичкото отгоре е труден за правене. Важното е да имам лесен достъп до двигателя за настройки, палене без стартер, и за почистването му след полети. Тоест ауспуха на двг трябва да е най-ниската възможна точка от тялото на самолета, така че маслото което иначе цапа самолета при полет с един мъркуч да се отведе доста под тялото.Така ще икономисъм още десет минути от почистване след полети на целия самолет, и още едно 100-200мл метилов спирт на всеки полетен ден. За година си става много литри метил, и много време!!! Моторамата да се чупи лесно за да предпазва двигателя при удар. След нея да се чупи силовото ребро на което е закрепена, и така бавно назад да върви чупенето за да може после при ремонта да се ремонтира по лесно със замяна на дадените сечения/ребра/ и страници.Примерно моторама и първо силово ребро да се подменят след удар в земята.За една вечер ремонта да е приключил.
    ++++++++++++++++++++++++++++++++++++++++++++++++++ ++++++++++++++++++++++++++

  3. #3
    Почетен Автор Аватар на Gogo55
    Регистриран
    Feb 2011
    Живее в
    Асеновград
    Мнения
    598

    Резервоара трябва да е разположен близко до Ц.Т. на самолета, и да се вижда колко гориво има в него през прозрачната кабина, или странично на тялото да има прозорче. Най горната точка на резервоара трябва да е на нивото на иглата на карбуратора, или малко по ниско така че горивото при хоризонтално разположен самолет на самотек да не може да отива във двигателя, и в същото време резервоара да не е много по ниско от иглата на двигателя, така че налягането от ауспуха свободно да вкарва гориво във двигателя. Значи осевата линия от вала на двигателя да минава малко под горната част на резервоара и в същото време да е на Ц.Т. на самолета. Хордата трябва да е на една линия с вала на двигателя, или малко под тази линия, а Ц.Т. на около 33% от хордата на крилото.

    -Серво машинки за хор стаб.-1брой стандарт серво 6кг. ще стига. За вертикален стабилизатор също 6кг. серво ще стига при 2кг самолет.
    Всички серво машинки трябва да са максимално близко до плоскостите който ще движат така че да имат масимално къси тяги пак за по ниско тегло и по малки луфтове. Това вече ще установя след като направя модела и започна да го кича.За целта ще направя подходящи отвори за сервомашинките и в опашката максимално близо до вертикален и хоризонтален стабилизатор, и в тялото под кабината. При настройка на Ц.Т. ще се види къде ще сложа тези 80грама тегло.

    -Батерията е добре да може да се движи напред назад за лесна промяна на Ц.Т. при различните видове полети и стилове на летене, както и за лесно сваляне при зареждането и което обикновено става след всеки полетен ден. Значи голяма кабина за лесен достъп до батерията и наблюдаване на резервора.

    -Приемник-Място за закрепване под кабината на видно място, или в по предна част на самолета така че антената сложена в тръбичка да не излиза отзад тялото, и да не се вижда как виси зад самолета.

    -Колесник:
    Колесника ще е основен отпред чрез два пружинни тела с диаметър 4мм. и опашен колесник отзад пак за по ниско тегло, и за по лесно кацане в трева при парашутиране тип хеликоптер, или хариер-тогава опашния колесник пази вертикалния стабилизатор и машинката която го управлява да не и се изронят зъбите при рязък удар в земята което ми се е случвало много пъти. Ако е с преден колесник вертикалното кормило при удар в земята чупи серво машинката която го упралява. Също и ако е с преден колесник и при кацане в трева или орана нива на скорост нормално си при самото докосване на земята обикновенно когато няма достатъчно скорост /примерно при угаснал двигател/ носа на самолета се навежда надоло и първо се допира предния колесник и цялото тегло на самолета идва върху него при което тои се гъне поемайки удара и не е добра идея-изпробвано от мене много пъти! Ако е за асфалт където може да се каца на скорост и има място за добър пробег разбира се е по добре с преден колесник заради управляемоста по пистата по време на излитане и кацане! Тука гоня практичност и минимално тегло затова решавам:
    -Отпред основен колесник с два пружинни тела с диаметър 4мм. и по големи 70-120мм. гуми стигат.

    -Отзад един пружинен тел с диаметър 2-3мм и на него малка гума 20-40мм. Управлението на задния колесник чрез две пружинки от вертикалния стабилизатор без твърди тяги.

    -Хоризонталния стабилизатор трябва да бъде и с аеродинамични компенсатори за да се напрягат по малко серво машинките така че да издържат на напъна при излизане от пикиране когато има голямо усилие на тях.
    -Нивото на хордата на хоризонталния стабилизатор да бъде малко над осевата линия от вала на двигателя и хордата на крилото за да не бъде в завихрения поток след елероните.

    -Вертикален стабилизатор пак с аеродинамичен компенсатор и голяма площ-отивам на стандартна серво машинка с усилие от поне 6кг. за да съм спокоен при всякакви фигури. Вертикалния стабилизатор да стърчи и малко под тялото за да има ефективност и при големи ъгли на атака, когато горната му част бива засенчена от тялото на самолета. Трябва да бъде малко след края на хоризонталния стабилизатор за по добро управление.

    -Крилото трябва да е около средата на тялото на една осева линия с вала на двигателя или малко по ниско като на СУ-26. Също така много е важно да може да се хваща с ръка отдоло тялото и да се излита от ръка защото нямам хубава писта наблизко! При излитане от ръка намалявам с 50% вероятноста да счупя колесник при удара му в камък когато самолета се движи с голяма скорост при излитане, остава шанса за среща с камък само при кацане! Крилото трябва да е от две полукрила закрепени от двете страни на тялото но не чрез тръба, а чрез дървен лонжерон със правоъгълно сечение. При краш се чупи този лонжерон и двете полукрила свободно се разхвърчават но остават цяли!!! Закрепването на двете полукрила към тялото да става от горна страна чрез подходящ по здравина ластик, или пружина който да ги придърпват едно към друго а по средата им да остава тялото притиснато. В двете полукрила да се намушва дървения лонжерон и да ги държи да не махат при излизане от пикиране, но да се чупи при краш за да предпазва двете полукрила!!! Много здравина тука не трябва , защото при удар полукрилото трябва да се откача от тялото за по малко щети. Пружината/или ластика/ да се късат, лонжерона да се чупи и двете полукрила свободно да се разхвърчават по поляната-с гаранция остават цяли. Крилото да е със скосение за по лесна акробатика, подобно на спортните ЯК или СУ и със серво на всеки елерон със минимални тяги и луфтове. Задкрилки няма да има, но ще има флаперони за по лесно кацане и излитане макар че и това е под въпрос, ама е модерно и не ми пречи да си имам копче на радиото! Значи елероните трябва да са максимално дълги по цялата дължина на даденото полукрило, и да са с повече площ.
    ++++++++++++++++++++++++++++++++++++++++++++++++++ +++++++++++++++++

  4. #4
    Почетен Автор Аватар на Gogo55
    Регистриран
    Feb 2011
    Живее в
    Асеновград
    Мнения
    598

    Както и да го въртя и суча руснаците са измисли тази аеродинамична схема отдавна и тя е ЯК-55, ЯК-54, СУ-26, СУ-31 тоест трябва да използвам тяхната проверена във времето аеродинамична схема, върху моя си конструкция която да направя лесно сам.
    ++++++++++++++++++++++++++++++++++++++++++++++++++ +++++++++++++++++

    Тегла:
    Двигател ASP52-504грама.
    Витло- 30грама
    Моторама-40грама
    Резервоар-60грама
    Сервомашинки стандартни НХ5010-4броя-160грама
    Сервомашинки мини/микро/ 1брой-9грама
    Приемник 30грама
    Батерия 3 клетки 150грама
    ВЕС-50грама
    Болтчета, тяги и лостове-40грама
    Гуми 3броя 150грама
    Колесник от пружина тел-100грама
    ++++++++++++++++++++++++++++++++++++++++++++++++++ +++++++++++++++++
    До тук имам задължителни 1323грама, приемам ги за 1300грама.
    За голата конструкция на самолета остават до максимум още около 1000грама.
    ++++++++++++++++++++++++++++++++++++++++++++++++++ +++++++++++++++++
    Трябва да направя:
    Крило 150см. до 450грама
    Тяло около 120-150см.дълго без двигателя ,с вертикален и хоризонтален стабилизатор до 550грама.
    ++++++++++++++++++++++++++++++++++++++++++++++++++ +++++++++++++++++
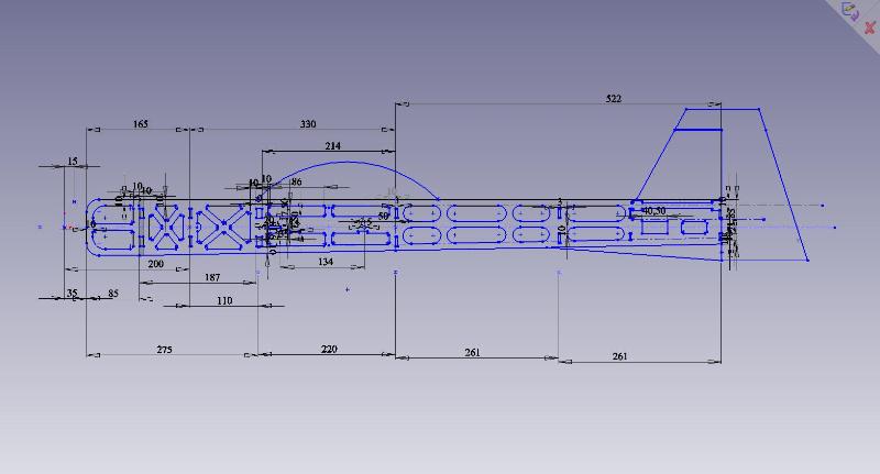
    Ще прекопирам ЯК-55 като проекция от негова снимка като я мащабирам в М1:6
    Идва ми с разпереност от 1,5м., и дължина от 1,215м.
    Крилото ще е по технологията от време оно – нервюри от 3мм шперплат, със борови лонжерони, и правилен профил. Предната 1/3 облекана със балса1,5мм. Атакуващ и изходящи ръбове от балса 10мм. дебела.
    Тялото от 4 стени и 7 ребра само от шперплат 3мм топола, максимално олекотен със отвори. Конструкцията и слепките ще ги мисля подробно по време на чертането. Ако реша може да облеча и тялото със балса 1,5мм за да не прозират отворите му през фолиото, и за още малко здравина –това само при нужда от още здравина!
    Накрая обличам със фолио червено отдоло за да се вижда добре, и бяло отгоре за да не се награвя много от слънцето на поляната когато седи по цял ден. Белия цвят също много добре се вижда на синъо небе, но при лек сумрак, или облаци често се губи, може би ще сложа и още някъв цвят отгоре в този случай-някви ленти за най-лесно.
    ++++++++++++++++++++++++++++++++++++++++++++++++++ +++++++++++++++++++++++++
    Резултата от двудневно вечерно-нощно чертане е на снимките по долу:
    Прикачени икони Click image for larger version

Name:	4.sborka Gogo akrobat.jpg‎
Views:	1775
Size:	54.6 KB
ID:	4418   Click image for larger version

Name:	2.Gogo akrobat 3d ot 28.iv.2012.jpg‎
Views:	1748
Size:	31.9 KB
ID:	4419   Click image for larger version

Name:	1.Gogo akrobat 3d ot 28.iv.2012.jpg‎
Views:	1777
Size:	40.1 KB
ID:	4420   Click image for larger version

Name:	3.Gogo akrobat 3d ot 28.iv.2012.jpg‎
Views:	1711
Size:	59.0 KB
ID:	4421  

  5. #5
    Почетен Автор Аватар на Gogo55
    Регистриран
    Feb 2011
    Живее в
    Асеновград
    Мнения
    598

    Нарязах детайлите за тялото, като тегло са 266грама.
    Прикачени икони Click image for larger version

Name:	1.Tialo 266gram 4.V.2012.JPG‎
Views:	1650
Size:	123.4 KB
ID:	4425   Click image for larger version

Name:	2.Tialo na 4asti.JPG‎
Views:	1634
Size:	101.6 KB
ID:	4426   Click image for larger version

Name:	4.Gogo akrobat tialo detaili v SW2007.jpg‎
Views:	1629
Size:	42.4 KB
ID:	4427  

  6. #6
    Почетен Автор Аватар на Gogo55
    Регистриран
    Feb 2011
    Живее в
    Асеновград
    Мнения
    598

    Събрах тялото, теглото се дигна с 10 грама от лепилото и стана от 266 на 276грама. Точката за бърз и лесен ремонт от проекта е изпълнена на 100%. Всяка една от четирите части на тялото се лепи за има няма 5-6 минути и след час когато засъхне лепилото се залепва към останалите части на тялото пак за има няма 5-6 минути. Квадрата си е квадрат, и е много лесен за лепене поради правите му ъгли. Здравината на кутиеобразно тяло със квадратно сечение е добра.
    Прикачени икони Click image for larger version

Name:	3.Tialo 276gr 5.V.2012.JPG‎
Views:	1640
Size:	55.7 KB
ID:	4428  

  7. #7
    Почетен Автор Аватар на Gogo55
    Регистриран
    Feb 2011
    Живее в
    Асеновград
    Мнения
    598

    Преди да облеча тялото със фолио подсилих слепките между четирите части на тялото. Използвах балса със триъгълно сечение-първо режа квадрат10х10 от балсата, после с макетното ножче по диагонала го срязвам по цялата му дължина. Тези парченца после залепих към напречно ребро и страница-отбелязал съм с червена стрелка на снимката. После залепих и кила с монтиран на него опашен колесник, в кила предварително залепих гайки за дърво М3мм. за болтовете на опашния колесник.
    Прикачени икони Click image for larger version

Name:	4.Tialo podsilvane i zaden kolesnik.JPG‎
Views:	1695
Size:	90.5 KB
ID:	4429  

  8. #8
    Почетен Автор Аватар на Gogo55
    Регистриран
    Feb 2011
    Живее в
    Асеновград
    Мнения
    598

    Тялото облечено с фолио е 322грама, от доло червено, отгоре бяло. Фолиото дойде 26грама. До сега се държа добре с теглото. Оказа се че цялата работа от слепването на детйлите до обличането на тялото с фолио ми отне има няма три четири часа. Дет се казва това го направих между другото днес докато се мотах вършейки си основно друга къщна работа.
    Прикачени икони Click image for larger version

Name:	5.gotovo tialo 5.V.2012.JPG‎
Views:	1532
Size:	37.1 KB
ID:	4438  

  9. #9
    Почетен Автор Аватар на Gogo55
    Регистриран
    Feb 2011
    Живее в
    Асеновград
    Мнения
    598

    Не се сдържах и докато зяпах поредната боза по тв монтирах колесника и двигателя.
    Прикачени икони Click image for larger version

Name:	7.Tialo.JPG‎
Views:	1650
Size:	126.4 KB
ID:	4439   Click image for larger version

Name:	6.Tialo.JPG‎
Views:	1624
Size:	92.3 KB
ID:	4440  

  10. #10
    Почетен Автор Аватар на Gogo55
    Регистриран
    Feb 2011
    Живее в
    Асеновград
    Мнения
    598

    Тест за здравина направих защото имах съмнения за лабава конструкция и се чудех дали да лепна върху страниците от шперплат и по един лист балса. С този тест мисля че си доказах че конструкцията е достатъчно здрава, а с това че успях за един ден без да си давам никакъв зор да сглобя цялото тяло от нулата си доказах че ще бъде лесен и бърз ремонта при нужда в бъдеще време.
    Прикачени икони Click image for larger version

Name:	8.Test tialo za zdravina.JPG‎
Views:	1650
Size:	99.4 KB
ID:	4441  

+ Ново Мнение

Информация за темата

Users Browsing this Thread

В момента 1 потребители разглеждат тази тема. (0 регистрирани и 1 гости)

     

Вашите права за публикуване

  • Вие не можете да създавате нови теми
  • Вие не можете да пишете мнения
  • Вие не можете да прикачате файлове
  • Вие не можете да редактирате мненията си
  • BB code е Включен
  • Smilies са Включени
  • [IMG] кода е Включен
  • HTML кода е Изключен