Дано да имаш предвид захранването, а не лодката...
Както гледам тя лодката ще стане поне толкова тежка, колкото ТЕС-а...
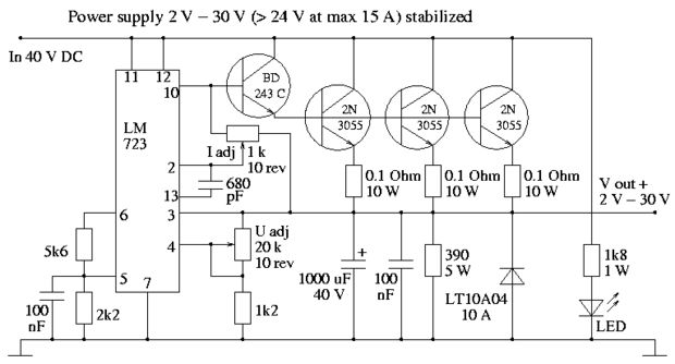
Общо взето захранването е базирано на това:
Има доста промени, като например защита по претоварване и късо на базата на триак добавена (въпросното ограничение 18-20А), крайни транзистори 7бр. MJE15003 с променено изравняване на емитерите и добавено изравняване и на базите, Дарлингтън драйвер от два отделни биполярни, както и полярен електролитен кондензатор 2200uF/350V напряко на изхода за гасене на обратните импулси от моторите, индикации разни и т.н. 120/25мм вентилатор за топлообменника на крайните транзистори. Захранва се от тороидален траф с вторична 42V/10A по задание, но преоразмерен, с отделно обдухване за охлаждане, 50А грец с 84000uF/40V и добавени токова защита и кликсон за темп. на един от крайните транзистори, прекъсващ оперативната верига на първичното захранване. Тежичък туч става, но с идеята да е тотално идиотоустойчив и почти неразрушим. Общо взето е готов, чакам от Фарнел първата степен на драйвера да пристигне. Той и сега си работи, но не съм догледал при замяната на BD243С и интегралката не може да даде на драйвера достатъчно, че да го отпуши както трябва и се шашкат малко.



Цитат