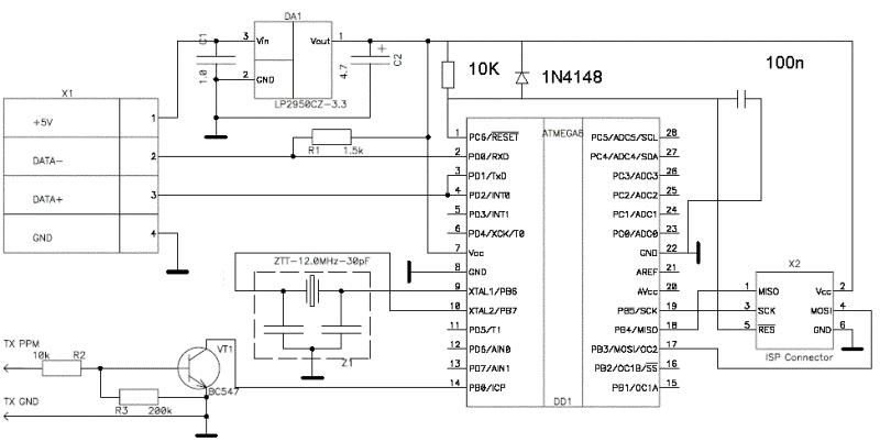
Повода за тази тема е че преди няколко седмици си направих подобен кабел.След като направих десетина часа на AEROFLI и се убедих че кабела работи безотказно реших че трябва да го споделя.Всичко започна с това че си купих кит на хели TZ-50, и идеята че трябва да симулирам малко литкане с хеликоптер на симулатор.Търсенето на схемно решение из българския нет не даде никакъв резултат.На въпросите ми за схема ми отговаряха че е по лесно да си го купя вместо да си губя времето, което ме амбицира още повече че трябва сам да си го направя защото не си падам много купешки моделист.Верно е че загубих около три дена да се ровя из нета но както знаем при братята руснаци има всичко.След като намерих схемата и .Hex файла се оказа че не мога да намеря подходяща платка която да е с минимални размери,по руския нет се мотат няколко платки но всичките който успях да намеря са за големи елементи в стандартен DIP корпус което налага използването на кутиика за тях.Това не ми хареса да се мандахерца някаква кутиика по кабела затова набързо си проектирах една платка която да е с минимални размери и за SMD елементи, платката се получи с размер 14х40мм и затова само я омотах с тиксо и почти не личи че на кабела има сложена и електроника..Схемното решение е реализирано с микроконтролер на Атмел ATMega8, като си има драивер за вина които да се разпознава като обикновен джоистик и от контрол панела да може да се вижда и да се калибрира при нужда.Входния сигнал трябва да е РРМ и се взима или от стандартната букса която е отзад на всяко едно радиоуправление , или се намира със осцилоскоп на едно от крачетата на чипа които е на самата платка на радиуправлението, или от едното краче на кварца-кой от където го намери,най-лесно е разбира се от буксата за тренер-ученик. Качвам снимки така че да може да се повтори от всеки лесно и бързо без да се губи излишно време за ненужно сърфиране из чуждестранския нет.Нех фаила не знам как да го кача защото не взима .рар фаилове...


Цитат
, всичките елементи ги изкормих от стара платка освен мега8 която само купих от магазина.Прикачам схемата където съм сложил допълнително три елемента за подпиране на ресета.Пак казвам те не са задължителни, но са препоръчителни при всеки един атмел без значение в каква схема ще се използва.
.