-
1 Attachment(s)
туч
Дано да имаш предвид захранването, а не лодката...
:laughing:
Както гледам тя лодката ще стане поне толкова тежка, колкото ТЕС-а...
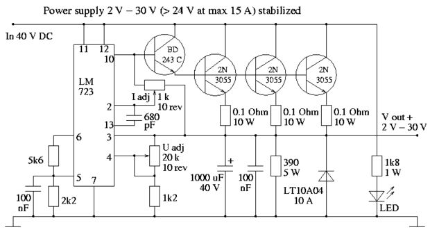
Общо взето захранването е базирано на това:
Приложение 6701
Има доста промени, като например защита по претоварване и късо на базата на триак добавена (въпросното ограничение 18-20А), крайни транзистори 7бр. MJE15003 с променено изравняване на емитерите и добавено изравняване и на базите, Дарлингтън драйвер от два отделни биполярни, както и полярен електролитен кондензатор 2200uF/350V напряко на изхода за гасене на обратните импулси от моторите, индикации разни и т.н. 120/25мм вентилатор за топлообменника на крайните транзистори. Захранва се от тороидален траф с вторична 42V/10A по задание, но преоразмерен, с отделно обдухване за охлаждане, 50А грец с 84000uF/40V и добавени токова защита и кликсон за темп. на един от крайните транзистори, прекъсващ оперативната верига на първичното захранване. Тежичък туч става, но с идеята да е тотално идиотоустойчив и почти неразрушим. Общо взето е готов, чакам от Фарнел първата степен на драйвера да пристигне. Той и сега си работи, но не съм догледал при замяната на BD243С и интегралката не може да даде на драйвера достатъчно, че да го отпуши както трябва и се шашкат малко.
-
Каквото и да стане ,накрая важното е ,че си се забавлявал- поне на мен ми се струва ,че успяваш за сега. Дерзай. Нищо, че много от нещата ,които правиш са безмислени или ненужни- не се спирай - накрая сам ще стигнеш до свои изводи, които са безценни.
-
заигравки
Е, това последното го бях замислил от доста време, че понякога си трябва нещо такова в домашната работилница, а социалистическия ми ТС-30 дава до 1А, по-модерното ТЕС-че и то е слабо. Частите така или иначе ми се мотаеха наоколо повечето и схемата дойде идеална и почти без пари. Занимаването ми с електриката на лодката беше причината да си седна на задника и да го сглобя. Ако минавам на ЛиПо по-късно пак ще свърши работа за захранване на зарядно.
Що се отнася до останалото предпочитам да се уча на практика. Някой беше казал навремето, че само глупаците повтаряли грешките на другите, умните хора изобретявали нови. Дори и да повтарям чужди грешки, те пак са си мои. Иначе би трябвало да вярвам 100% на мнения на непознати хора...
-
3 Attachment(s)
Ето това търсех...
Ето снимка на модел на Baby Bootlegger дървена, с неизвестно задвижване, построена по планове от интернет:
Приложение 6702
И ето модела Swallow, който го има и в България направен:
Приложение 6703
Приложение 6704
Дървена, около 1м дълга, с един винт и четков двигател Граупнер Speed 600...
От моята ще искам нещо подобно като стойка на водата, и само малко повече скорост (малко по-вирнат нос)
-
Мисля че благодарение на твоя модел споделихме доста мнения и се надявам непознатите да не сме си губили времето напразно.
-
Е, след 15 страници обсъждане едва ли сме точно непознати...
Имах предвид неща, писани някъде от някого, които съм чел и описал в тази тема и сте ми доказали, че просто не са така. Ако не се бяхте включвали ти, mmfsr, plamby и всички други (да не изброявам поименно) щях да съм още на тъмно за толкова много детайли. Веднъж вече бях писал, че понякога най-сигурният начин да запомниш, че водата е гореща е да се опариш. Не е задължително обаче да е така всеки път. Още по-добре е ако има кой да ти каже - но това не значи, че няма да бръкна понякога във водата ей така, за всеки случай, да видя какво ще стане, дори и въпреки съветите. Затова грешките са си мои. Благодаря за съветите и мненията от всички и не го приемайте навътре, ако не ви послушам всеки път. Нямам времето, силите и ресурсите да греша за всяко нещо, и ако ми спестите някоя и друга грешка, или на някой, който чете тази тема значи барута не е бил все нахалос, нали?
Благодаря на всички писали в темата, надявам се да продължавате и да не остане като мой монолог.
-
2 Attachment(s)
едно моторче...
Здравейте, днес пуснах за една бърза проба моторчето от Рено 19, което ми се намира. Ето какво представлява:
Приложение 6705
А ето какво показа под товар (неговата си турбина във въздухозаборника, както си е фабрично):
Приложение 6706
16V.25A=400W електрическа мощност не е никак зле, мисля. Поради временната липса на оборотомер не знам още какво точно е положението с оборотите, но вече разполагам с мощност достатъчна да ми задвижи лодката, явно. Поради по-ниския волтаж на батериите, с които ще пускам лодката и поради загубите в мотора надали ще разполагам с повече от 250W ефективно предавани към перката, но и на това съм доволен.
-
:)))
Привет ! Моторчето от реното, изглежда много добре ... стига да не гоните високи скорости
-
Ами аз затова пуснах по-нагоре снимки на двете лодки, Swallow и Baby Bootleggеr - не гоня. След обсъждането на винтовете и оборотите с колегите в последните страници на темата се отказах от намислената скорост 7,5м/с и пуснах снимките да се види какво ще търся горе-долу като поведение на водата. Не искам да се състезавам с лодката, а да се забавляваме с големия син. Има и друго - времето за каране. При 20-тина А консумация максимална с моите батерии мога да имам около 20 минути каране, ако е на пълна газ. При микс бързо-бавно ако докараме 30 минути ще е супер.