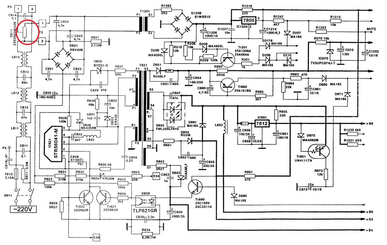
Пак ми попадна един телевизор с проблем...Имаше изгоряла ИС STR56041, но има и някакъв странен/за мен/ елемент, който е счупен. Ето за кой елемент става въпрос:
Приложение 4894
Прилича ми на някакъв делител, но не съм сигурен...
Версия за печат
Пак ми попадна един телевизор с проблем...Имаше изгоряла ИС STR56041, но има и някакъв странен/за мен/ елемент, който е счупен. Ето за кой елемент става въпрос:
Приложение 4894
Прилича ми на някакъв делител, но не съм сигурен...
Телевиорът може да работи и без този елемент, само няма да има размагнитване на кинескопа.
А, възможно ли е телевизора да не се включва, защото съм разкачил кинескопа? Стои в режим готовност, но каквото и да правя, не включва ТХО-то...:tres:
Какво значи разкачил кинескопа? кои кабели си махнал не си закачил? какво означава не включва ТХО то.
Разкачил кинескопа->махнал съм кабела за високото напрежение, подгряването, цветовете и ОС от кинескопа.Всички кабели, свързващи кинескопа със платката, са разкачени.
ТХО-то не се включва->високото напрежение липсва и не се чува характерния пискащ звук.
Отбелязах, че ТХО-то не се включва, защото само то ми е ориентир дали телевизорът излиза от режим на готовност. Телевизорът е много голям, за да го разнасям 50км и за това съм взел само платките/без кинескоп и говорители/. Схемата и мануал-а на телевизора са прикачени. Съжалявам за липсата на технически изказ, но предполагам схванахте, за какво говоря.
Свързах кинескопа, даже и счупения елемент подмених, но не тръгва и не тръгва...:tres: